Cookies
Minimum logistyczne 200 zł
Ceny dostępne po zalogowaniu
Menu

walutaWaluty

Konsola Knelsen WM-150x2,5/40

Dostępność w jednym z magazynów: Dostępność Dostępny
Wysyłka w: 4-72 godziny
Zaloguj się
Chcesz poznać ceny hurtowe dla firm? Utwórz konto.

Jeżeli tylko chcesz sprawdzić cenę detaliczną - zaloguj się na DEMO
ilość wg Wariantu

towar niedostępny

Ocena: Ocena Ocena Ocena Ocena Ocena 0
Producent / Dystrybutor: Knelsen
Kod produktu: KNE 40508010

Polecane produkty Produkty powiązane

Opis Opis

Konsola Knelsen WM-150x1,5/40

 

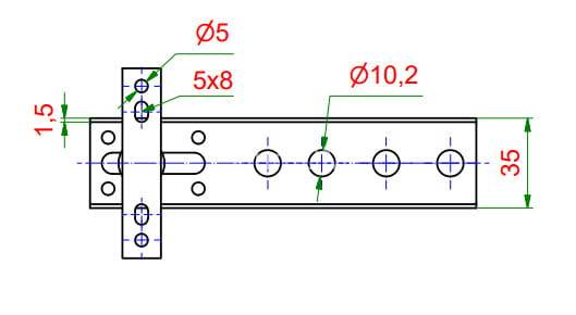
Chcesz zminimalizować występowanie mostków termicznych przy oknach? Montujesz okna w domu energooszczędnym? Zrób montaż na konsolach Knelsen i wysuń okna w warstwę ocieplenia. Zadaniem konsoli WM-150x1,5/40 jest proste i szybkie zamocowanie konstrukcji okiennej, służy do zamocowania dolnego, bocznego oraz górnego, z możliwością regulacji odległości, do zastosowań w przypadku braku izolacji w nowych budynkach z pełnym dostępem od strony zewnętrznej. Zastosowanie konsoli WM nie wymaga przewiercania profilu okiennego, pełna regulacja wykonywana jest od strony zewnętrznej przed wykonaniem ocieplenia. Zapewnia zamocowanie okien zgodnie z klasą wytrzymałości RC2. Obciążenie maksymalne zostało sprawdzone przez ift-Rosenheim.

 

Zalety konsoli WM

 - do mocowania od dołu oraz z boku, z góry

 - do wszystkich systemów (aluminium, drewno, pcv)

 - możliwość regulacji 3D w celu wyrównania tolerancji montażowych

 - zastosowanie w przypadku różnic wysokości 12 do 40 mm

 - zgodny z klasą RC2

 - posiada certyfikat ift Rosenheim

  

 
 
belka
 
 

Tabela nośności WM

 
nośność konsol wm 
 
 
belka 

 Ważna wskazówka!

Zalecana minimalna odległość śrub regulacyjnych od ramy okna to 15mm, aby umożliwić regulację, która odbywa się z zastosowaniem klucza płaskiego nr 13
 
 
 
belka
 
 
 
Jak zamontować konsole?
 
W przypadku mocowania bocznego / górnego należy najpierw przymocować element regulacyjny do okna, a następnie przykręcić pierwszą nakrętkę do oporu. Następnie należy zamontować konsolę za pomocą co najmniej dwóch odpowiednio dobranych elementów mocujących do muru. Regulacja głębokości oraz boczna możliwa jest przy wykorzystania połączenia śrubowego w otworze podłużnym. Zalecany luz montażowy do bezproblemowego montażu wynosi 15-35 mm.

Jeśli potrzebujesz szczegółowej instrukcji doboru oraz mocowania konsol zapraszamy do naszego poradnika tutaj

Oceny produktu Pytania i odpowiedzi

Bezpieczeństwo Bezpieczeństwo

Konsola Knelsen WM-150x2,5/40
Wybierz wariant ▲
Góra do góry
Sklep jest w trybie podglądu
Pokaż pełną wersję strony
Sklep internetowy Shoper Premium