Uszczelnienie progu drzwi wejściowych i balkonowych to kluczowy krok, który nie tylko zapobiega wnikaniu wilgoci, ale także chroni przed stratami ciepła i zanieczyszczeniami. Wybór odpowiednich materiałów i technik ma ogromne znaczenie, zwłaszcza w miejscach narażonych na działanie czynników atmosferycznych. W artykule omówimy trzy sprawdzone metody uszczelnienia progu: EPDM, OS925 Illbruck oraz Tytan WINS Balcony – systemy, które zapewniają skuteczną ochronę i długotrwałe działanie.
Spis Treści
1. EPDM (Ethyleno Propyleno Dienowy Monomer)
EPDM to rodzaj syntetycznego kauczuku, który charakteryzuje się wysoką odpornością na warunki atmosferyczne, promieniowanie UV, ozon i ekstremalne temperatury. Dzięki swoim właściwościom elastycznym EPDM jest często stosowany w uszczelnieniach, pokryciach dachowych oraz hydroizolacjach. Materiał ten doskonale sprawdza się w miejscach narażonych na intensywne działanie wilgoci, dzięki czemu jest powszechnie używany w budownictwie i motoryzacji do ochrony przed wodą i powietrzem.
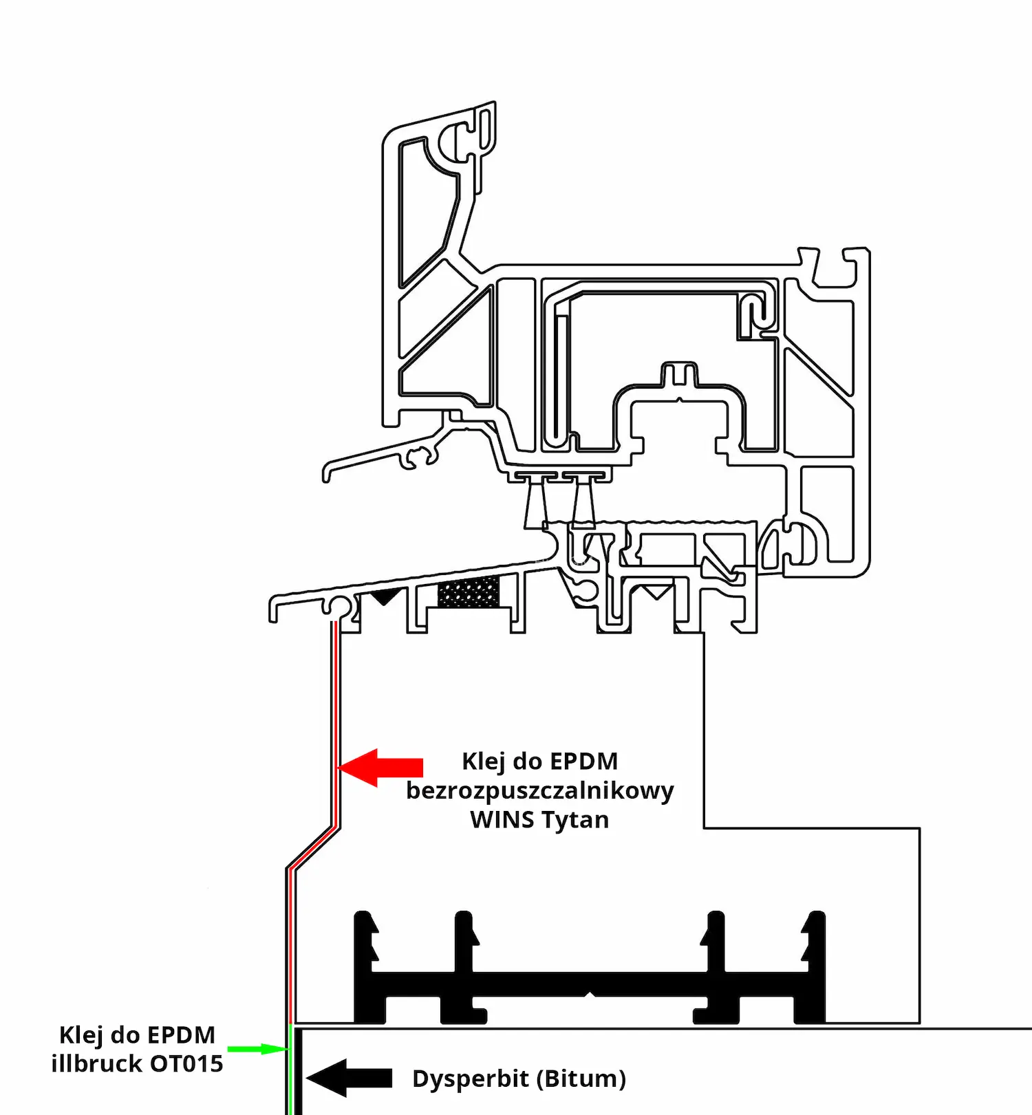
Przy uszczelnianiu progi drzwi zewnętrznych i balkonów sprawdza się idealnie. EPDM jest w rolce 20 lub 25-metrowej w formie gumowej membrany, którą dobiera się wg potrzebnej szerokości pasa do doklejenia. Membrana EPDM jest wodoszczelna i jednocześnie paroprzepuszczalna. Jego grubość 0,75 mm jest wystarczająca dla tego typu hydroizolacji, która zaczyna się od wrębu w progu / oknie, potem biegnie po poszerzeniu / ciepłej podwalinie, dokleja się ją do hydroizolacji fundamentowej (dysperbit), a następnie wyprowadza ze spadkiem poza styrodur ocieplenie fundamentu. Do EPDM stosuje się specjalnie przeznaczony klej. Klej należy dobrać do sytuacji montażowej i rodzaju podłoża. Jeśli nie ma podwalin typu klinaryt / PUR można zastosować klej rozpuszczalnikowy CT 113, natomiast jeśli są takie podwaliny to wtedy stosujemy kleje bezrozpuszczalnikowe i nakładamy je na podwalinie, ale w miejscu, gdzie EPDM doklejany jest do dysperbitu zalecane klejenie jest klejem Illbruck OT015, gdyż kleje bezrozpuszczalnikowe mogą nie kleić się dobrze do dysperbitu, rwią się, odspajają itp.

Wizualizacja - jakie kleje do epdm z klinarytem

przykład uszczelnienia progu drzwi / balkonu za pomocą EPDM

membrana EPDM zwinięta w rolkę
Pozostaje jeszcze pytanie: co zastosować zamiast EPDM? Oto kolejne propozycje.
2. OS925 Illbruck
Jeśli zastanawiasz się jak uszczelnić próg drzwi wejściowych od spodu, tak by wilgoć, woda nie wchodziła do budynku to ten produkt jest dla Ciebie. Dziś na tapetę wjeżdża rewolucja branżowa, coś, co można nazwać potocznie przez okniarzy "EPDM w płynie". Masa dawno wyczekiwana, która zastępuje z powodzeniem tradycyjną membranę EPDM rozwijaną z rolki. Jest to nowoczesne rozwiązanie dostarczone przez niemiecką firmę Illbruck — wiodącego producenta chemii budowlanej i rozwiązań dla branży okiennej i nie tylko.
Ten produkt to OS925 Illbruck. Opracowana specjalnie dla nowych budynków i renowacji starszych budynków, które wymagają wysokiego stopnia szczelności na powietrze i wodę. Może być stosowany do uszczelniania różnych połączeń konstrukcyjnych, takich jak balkony, tarasy, ściany i podłogi stykające się z gruntem, połączenia podłoga-ściana i ściany-sufit. Dobrze przylega do najpopularniejszych materiałów budowlanych, takich jak stal, beton, kamień, drewno i aluminium.
Zamiast stosować inne membrany płynne, które nie do końca przewidziane są do zastosowań przy gruncie (a często niestety tak się zdarza) warto zastosować dedykowany, przebadany produkt. Warto tutaj wspomnieć, że wiele popularnych folii w płynie dachowych, okiennych, po prostu nie spełnia przy gruncie wymagań, takich jak odporność na wodę stojącą czy elastyczność. Czasem zdarza się, że nie są one dobrze przyczepne do podłoży bitumicznych czy mineralnych, a przy OS925 Illbruck ten problem jest rozwiązany.
Zalety produktu Szczelność badano przy 1000 Pa przy grubości suchej warstwy 2 mm. Tworzy bezszwowe membrany o bardzo dobrej przyczepności do podłoży bitumicznych i mineralnych. Dobra przyczepność do lekko wilgotnych powierzchni. Wysoka elastyczność i elastyczność. Bezrozpuszczalnikowy, przyjazny dla środowiska, odpowiedni do użytku w pomieszczeniach. Odporny na rozpuszczalniki wodne, rozcieńczone kwasy, sole, wapno i cement. Jako że produkt jest na bazie wody, jest bezpieczny dla podwalin klinaryt czy PUR.

OS925 Illbruck w wiadrze 5 kg
Przykłady zastosowań OS925

uszczelnienie przy świetliku dachowym

hydroizolacja pionowa fundamentów / ścian

uszczelnienie progu drzwi balkonowych za pomocą OS925
3. Tytan WINS Balcony
Tytan Professional WINS Hydroizolacja Drzwi Balkonów to jednoskładnikowa masa hydroizolacyjna na bazie polimerów hybrydowych i bitumów, stworzona specjalnie do zabezpieczania dolnych stref okien oraz drzwi zewnętrznych, zwłaszcza w miejscach narażonych na intensywną ekspozycję na wodę, takich jak fundamenty, balkony i tarasy. Produkt wyróżnia się doskonałą przyczepnością do różnorodnych materiałów budowlanych, takich jak beton, aluminium, PVC i papa bitumiczna, co zapewnia wszechstronność zastosowania.
Dzięki swojej odporności na zmienne warunki atmosferyczne, promieniowanie UV i wodę stojącą, masa WINS gwarantuje długotrwałą ochronę przed wnikaniem wilgoci. Co istotne, produkt jest gotowy do natychmiastowego użycia i pozwala na jednowarstwową aplikację, eliminując potrzebę stosowania dodatkowych materiałów, takich jak taśmy wzmacniające czy kleje. Po aplikacji zapewnia szybką ochronę przed wodą, co przyspiesza proces zabezpieczania i uszczelniania konstrukcji. Dzięki tym właściwościom WINS Balcony jest efektywnym rozwiązaniem, które skraca czas prac i zwiększa ich efektywność w porównaniu do tradycyjnych metod hydroizolacji.

WINS Balcony w wiadrze 4 kg

WINS Balcony nakładany gumową szpachelką

Złoty WINS Balcony w trakcie nakładania
Co jest lepsze folia w płynie czy membrana EPDM?
Montaż na każdym z tych rozwiązań ma swoje zalety oraz wady. Każdy montażysta chwali swój sposób montażu. Folia w płynie to jeden gotowy produkt do zastosowania i to przemawia na jej korzyść. Są też sytuacje, gdzie może nie być możliwości lub chociażby nie opłaca się, zastosować EPDM. Z drugiej strony trzeba poświęcić trochę czasu na nałożenie drugiej warstwy OS925. Przy WINS Balcony można nanieść powłokę w jednej warstwie, jest to produkt natychmiastowo odporny na wodę, lecz dosyć gęsty przez co cięższy w nakładaniu i wymaga szpachelki do rozprowadzania.
Przy EPDM szybko rozwijamy rolkę, ale za to trzeba użyć dodatkowego kleju do membrany epdm, co nie zawsze jest proste, bo jedne kleje wiaderkowe palą Klinaryt i styropian, a inne w kiszkach są bez rozpuszczalnika i nie stanowią dla podwalin styropianowych zagrożenia.
Dlatego każdą sytuację montażową należy rozpatrywać indywidualnie i podejść zdroworozsądkowo do tematu.